2612-T SC & 2613-R SC

RoHS Compliant 1.25G 1310/1550nm&1550/1310nm 20km Transceiver

Olinkphotonics’ 2612-T&2613-R, SFP-BIDI transceivers are high performance, cost effective modules supporting dual data-rate of 1.25Gbps/1.0625Gbps and 20km transmission distance with SMF.The transceiver consists of three sections: a FP/DFB laser transmitter, a PIN photodiode integrated with a trans-impedance preamplifier (TIA) and MCU control unit. All modules satisfy class I laser safety requirements. The transceivers are compatible with SFP Multi-Source Agreement (MSA) and SFF-8472. For further information, please refer to SFP MSA.

Product Features
  • Supports 1.25Gbps/1.0625Gbps bit rates
  • Bi-Directional LC connector
  • Hot pluggable SFP footprint
  • 2612-T:1310nm FP laser and1550nm PIN photo detector
  • 2613-R:1550nm DFB laser and 1310nm PIN photo detector
  • Applicable for 20Km SMF connection
  • Low power consumption, < 0.8W
  • Digital Diagnostic Monitor Interface
  • Compliant with SFP MSA and SFF-8472
  • Very low EMI and excellent ESD protection
  • Operating case temperature: Commerical:0 to 70 °C
Applications
  • Gigabit Ethernet
  • Fiber Channel
  • Switch to Switch interface
  • Switched backplane applications
  • Router/Server interface
  • Other Optical Links
Functional Diagram

Absolute Maximum Ratings

Parameter Symbol Min. Max. Unit Note
Supply Voltage Vcc -0.5 4.0 V
Storage Temperature TS -40 85 °C
Relative Humidity RH 0 85 %

Note: Stress in excess of the maximum absolute ratings can cause permanent damage to the transceiver.

General Operating Characteristics

Parameter Symbol Min. Typ Max. Unit Note
Data Rate DR 1.0625 1.25 Gb/s
Supply Voltage Vcc 3.13 3.3 3.47 V
Supply Current Icc5 220 mA
Operating Case Temp. Tc 0 70 °C
TI -40 85

Electrical Characteristics (TOP(C) = 0 to 70 ℃,VCC = 3.13 to 3.47 V)

Parameter Symbol Min. Typ Max. Unit Note
Transmitter
Differential data input swing VIN,PP 120 820 mVpp 1
Tx Disable Input-High VIH 2.0 Vcc+0.3 V
Tx Disable Input-Low VIL 0 0.8 V
Tx Fault Output-High VOH 2.0 Vcc+0.3 V 2
Tx Fault Output-Low VOL 0 0. 8 V 2
Input differential impedance Rin 100
Receiver
Differential data output swing Vout,pp 340 650 800 mVpp 3
Rx LOS Output-High VROH 2.0 Vcc+0.3 V 2
Rx LOS Output-Low VROL 0 0.8 V 2
Note:

1. TD+/- are internally AC coupled with 100Ω differential termination inside the module.

2. Tx Fault and Rx LOS are open collector outputs, which should be pulled up with 4.7k to 10kΩ resistors on the host board. Pull up voltage between 2.0V and Vcc+0.3V.

3.RD+/- outputs are internally AC coupled, and should be terminated with 100Ω (differential) at the user SERDES.

Pin Defintion And Functions

Pin Symbol Name/Description Note
1 VeeT Tx ground
2 Tx Fault Tx fault indication, Open Collector Output, active “H” 1
3 Tx Disable LVTTL Input, internal pull-up, Tx disabled on “H” 2
4 MOD-DEF2 2 wire serial interface data input/output (SDA) 3
5 MOD-DEF1 2 wire serial interface clock input (SCL) 3
6 MOD-DEF0 Model present indication 3
7 Rate select No connection
8 LOS Rx loss of signal, Open Collector Output, active “H” 4
9 VeeR Rx ground
10 RD- Inverse received data out 5
11 RD+ Received data out 5
12 VeeR Rx ground
13 VeeR Rx power supply
14 VccT Tx power supply
15 VeeT Tx ground
16 TD+ Transmit data in 6
17 TD- Inverse transmit data in 6
18 VeeT Tx ground
Notes:

1.When high, this output indicates a laser fault of some kind. Low indicates normal operation. And should be pulled up with a 4.7 – 10KΩ resistor on the host board.

2. TX disable is an input that is used to shut down the transmitter optical output. It is pulled up within the module with a 4.7 – 10KΩ resistor. Its states are:

  • Low (0 – 0.8V): Transmitter on
  • (>0.8, < 2.0V): Undefined
  • High (2.0V~Vcc+0.3V): Transmitter Disabled
  • Open: Transmitter Disabled

3.Mod-Def 0,1,2. These are the module definition pins. They should be pulled up with a 4.7K – 10KΩ resistor on the host board. The pull-up voltage shall be between 2.0V~Vcc+0.3V.

  • Mod-Def 0 has been grounded by the module to indicate that the module is present
  • Mod-Def 1 is the clock line of two wire serial interface for serial ID
  • Mod-Def 2 is the data line of two wire serial interface for serial ID

4.When high, this output indicates loss of signal (LOS). Low indicates normal operation.

5.RD+/-: These are the differential receiver outputs. They are AC coupled 100Ω differential lines which should be terminated with 100Ω (differential) at the user SERDES. The AC coupling is done inside the module and is thus not required on the host board.

6. TD+/-: These are the differential transmitter inputs. They are AC-coupled, differential lines with 100Ω differential termination inside the module. The AC coupling is done inside the module and is thus not required on the host board.

Digital Diagnostic Specifications The transceivers can be used in host systems that require either internally or externally calibrated digital diagnostics.

Parameter Symbol Units Min. Max. Accuracy Note
Transceiver temperature DTemp-E ºC -5 +75 ±5ºC
Transceiver supply voltage DVoltage V 2.8 4.0 ±3%
Transmitter bias current DBias mA 2 80 ±10% 1
Transmitter output power DTx-Power dBm -12 0 ±3dB
Receiver average input power DRx-Power dBm -25 0 ±3dB
Notes:

1. The accuracy of the Tx bias current is 10% of the actual current from the laser driver to the laser

2. Internal/ External Calibration compatible.

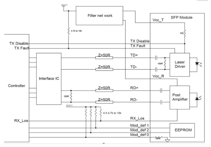
Typical Interface Circuit

Package Dimensions

Wavelength Latch Color
TX 1310nm Blue
TX 1550nm Yellow

Ordering Information

Part Number Description
2612-T SC SFP BIDI,1.25G ,1310/1550nm ,20Km,0~70℃, with DDM
2613-R SC SFP BIDI,1.25G ,1550/1310nm ,20Km,0~70℃, with DDM